| 項目/Project | 指標/Indicators |
| 頻率范圍 Frequency Range | 6000~18000MHz |
| 插入損耗 Insertion Loss | ≤2.0 dB(未含理論損耗 Excluding theoretical loss 10.8dB) |
| 合路端駐波 Combined port VSWR | Typ.1.38 / Max.1.8 |
| 分配端駐波 Distribution port VSWR | Typ.1.25/ Max.1.6 |
| 隔離度 Isolation | Typ.22dB / Min.16dB |
| 幅度平衡 Amplitude Balance | ≤ 0.8dB |
| 相位平衡 Phase Balance | ±8° |
| 阻抗 Impedance | 50 Ohms |
| 端口接頭 Input/Output Connectors | SMA-Female |
| 承受功率 Power Rating | 分路器用時20W,合路器用時1W |
| 工作溫度 Operation Temperature | -45℃ ~ +85℃ |
| 表面處理 Surface Finishing | 黑色烤漆 |
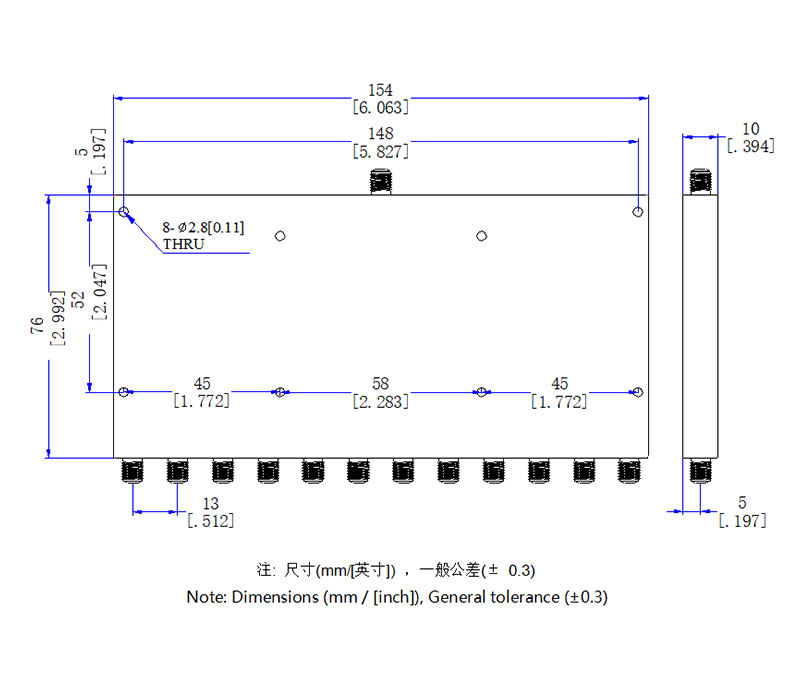
| 外形尺寸 Outline Dimensions | 76*154*10mm |
| 重量 Weight | 315g |


產品內部釆用優質高頻板材以及精密的內腔設計,完全自主設計研發、生產,指標優異、低駐波、低插損、高隔離、耐腐蝕、高機械可靠性

外殼釆用藍色烤漆工藝,具有較高的機械可靠性、耐磨性、耐腐蝕性

自主研發設計、生產的高頻不銹鋼連接器,耐磨損、耐腐蝕、使用壽命長

可定制頻率范圍、連接器類型
掃碼咨詢
技術支持